欢迎来到深圳市腾恩科技有限公司官方网站!
服务热线:0755-82705922-811欢迎来电咨询,我们将竭诚为您服务!中文 | ENGLISH
首页动态常见问题
常见问题
最新产品发布: 光MOS继电器:1500v,3750Vrms,6pin; 逻辑10Mbp高隔离光耦:7500Vmrs,10Mbps,Lsop8
在电池管理系统(BMS)中使用隔离的SPI和I2C简化电流和电压监控
2021-11-19 来源: 深圳市腾恩科技有限公司
随着混合动力电动汽车(HEV)和电动汽车(EV)的发展,传统的12V电路现在需要与更高电压的电路进行通信。对于混合动力汽车,这将是48伏电池,而对于全电动汽车,这可能是400伏甚至更高。汽车中的多个电压域强制要求包括隔离装置,以保护低压侧部件和电路免受高压蓄电池侧的影响。这给那些不习惯于在传统车辆中隔离的设计师们带来了新的挑战。本文档提供了用于隔离电池监测电路中ADC的各种选项。
蓄电池监测和过电流检测电路
典型的监测电路由与系统负载串联的分流电阻器组成。该并联电阻器上的电压降表示负载电流。来自分流电阻器的信号在被馈送到微控制器(MCU)之前被放大并转换为数字信号。由于MCU位于低压侧,而由放大器和ADC组成的测量电路位于高压侧,因此隔离装置位于这两个电路之间,如图1所示。要使用的隔离器类型取决于用于ADC和MCU之间通信的接口。
SPI接口
最常见的SPI接口用于ADC和MCU之间的通信。常用的隔离配置是一个方向(SD、SCLK、CS)上的3个通道和一个相反方向(SDO)上的通道。这将产生一个3/1数字隔离器,如图2所示。ISO7741-Q1是一种4通道(3/1)设备,在宽SOIC-16(DW)封装中具有增强额定值(5 kVrms)或在QSOP-16(DBQ)封装中具有基本额定值(2.5 kVrms)。
I2C接口
当ADC仅与I2C信号通信时,隔离器也需要更改以支持I2C通信。I2C通信的优点是减少了板上记录道的数量。SPI接口需要3或4条线,而I2C通信可以通过两条线(一条用于数据,一条用于时钟)完成,如图3所示。
数据是双向的,但是时钟在主从配置中可以是单向的,或者在多主配置中或者在利用时钟拉伸的系统中可以是双向的。ISO1541-Q1具有两个用于时钟和数据线的隔离双向通道,而ISO1541-Q1具有一个双向数据和一个单向时钟通道。这两个设备都支持2.5 kVrms基本隔离,并在SOIC-8(D)封装中提供。
使用标准隔离器还有其他实现I2C功能的方法。有关使用数字隔离器设计加固隔离I2C总线接口的更多详细信息,请参见此处。
离散隔离电源
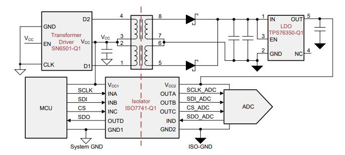
除了隔离信号外,还需要隔离ADC和MCU之间的电源。在某些系统中,有降压调节器提供每侧所需的电源,在这些情况下,不需要单独产生隔离电源。但是,如果需要从MCU侧提供隔离电源来为ADC和放大器通电,则SN6501-Q1提供推挽驱动器,以驱动隔离变压器的初级,从而在次级侧提供所需的负载电流和电压。简单的整流无源器件和LDO(可选)完成图4和图5所示的隔离电源电路。
集成隔离电源
由于外部变压器的尺寸,离散隔离电源解决方案不仅在X和Y维度上,而且在高度(Z)维度上,都会消耗更大的电路板空间。图6显示了使用集成电源的数字隔离器的替代解决方案。在该解决方案中,隔离电源电路包含在隔离装置内,因此该解决方案紧凑,系统认证更容易,只需一个装置即可认证。使用离散隔离电源解决方案时,外部变压器可能更大,因此开关频率更低,发射也更低。使用集成电源解决方案时,由于变压器尺寸更小,因此与离散解决方案相比,开关频率更高,从而导致更高的发射。但是,如本申请说明所示,使用缝合电容器可以减少这些排放。
结论
数字隔离器或隔离I2C装置可用于保护BMS电池监测子电路中的低压侧和高压侧。适当隔离的选择取决于所使用的接口(SPI或I2C)。根据排放、电路板空间和设计简单性的权衡,可以选择分立或集成隔离电源。
Table 1. Device Features